Напор
Согласно мнению профессионалов – при организации условий для эффективной работы ЦН в отопительной системе, следует учитывать соотношение максимального напора конкретной модели и протяженность циркуляционного кольца ОС. Не вдаваясь в технические особенности, озвучим вполне работоспособный усредненный показатель: выбирайте насос из расчета 0.6 метра заявленного напора на 10 метров длины отопительного контура. То есть, паспортных 6-и метров напора (российской модели «Циркуль 32-60») хватит для организации стабильной циркуляции теплоносителя при условии длины кольца отопительного контура не более 100 м.
Почему нужен насос для отопления в частном доме?
Традиционная система отопления с естественной циркуляцией теплоносителя – малоэффективна, потому как жидкости приходится постоянно преодолевать сопротивление, что замедляет ее оборачиваемость. Поэтому в котел теплоноситель возвращается уже охлажденным, что требует дополнительных затрат энергоносителей для ее подогрева до нужной температуры.
Реконструкция с использованием труб меньшего диаметра способна лишь частично решить проблему, к тому же расходы в этом случае несравнимо выше, чем стоимость циркулярного насоса, который применяется для принудительного нагнетания в трубопровод системы теплоносителя, обеспечивая ему одинаковую скорость движения на всех участках.
Принцип действия помпы в системе достаточно прост и основан на законах термодинамики: на входе теплоноситель принудительно всасывается в систему, а на выходе, за счет создаваемой крыльчатками циркулярного насоса центробежной силы, выталкивается.
Автономные системы отопления частных домов, как правило, изначально проектируются с учетом эксплуатации насоса, но если модернизировать старую, то ее эффективность возрастет на 25-35%, при этом существенно сократится потребление энергоносителей.
Достигается это за счет ускоренной оборачиваемости теплоносителя в системе, который совершив полный цикл, возвращается в котел, не растратив всю свою тепловую энергию. Поэтому и усилий для его подогрева требуется меньше, а значит – происходит экономия энергоносителя.

Организация системы с принудительной циркуляцией теплоносителя обязательно предполагает, что будет установлен байпас для циркуляционного насоса, которому отводится выполнение таких функций:
-
возможность переключения системы в режим естественной циркуляции, например, при отключении электроэнергии или необходимости проведения ремонтных работ на определенном участке;
-
в качестве устройства для регулирования температуры в помещении.
Как правило, система с принудительным циркулированием теплоносителя предполагает в каждом помещении установку байпаса, монтаж которого производится в комплекте с фильтром и запорными клапанами, а в некоторых случаях и с автоматическим клапаном для отвода воздуха (альтернативой крана Маевского).
Так как в частных домах средней площади чаще всего устанавливаются циркулярные насосы так называемого «мокрого» типа, установка байпаса должна выполняться горизонтально, при этом его диаметр должен совпадать с размером трубы, к которой он подключается, а также и с диаметром запорного клапана.
Основные разновидности
Все циркуляционные насосы для систем отопления делятся на два конструктивных типа: устройства с «сухим» ротором и насосы циркуляционные с «мокрым» ротором.
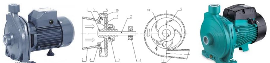
В циркуляционных насосах первого типа, что понятно уже из их названия, ротор не контактирует с жидкой рабочей средой – теплоносителем. Крыльчатка таких помп отделена от ротора и статора уплотнительными стальными кольцами, прижимающимися друг к другу при помощи специальной пружины, компенсирующей износ этих элементов. Герметичность данного уплотнительного узла в процессе работы насоса обеспечивает тонкая прослойка воды между стальными кольцами, формирующаяся за счет разницы между давлениями в системе отопления и во внешней среде.
Циркуляционные насосы для отопления с «сухим» ротором отличаются достаточно высокими КПД (89%) и производительностью, но есть у гидромашин данного типа и недостатки, в том числе сильный шум при работе и сложность в эксплуатации, техническом обслуживании и ремонте. Как правило, насосами данного типа оснащают отопительные системы промышленного назначения, в бытовых системах обогрева они используются достаточно редко.

Одноступенчатый циркуляционный насос с «сухим» ротором
Циркуляционный насос для систем отопления, оснащенный ротором «мокрого» типа, – это устройство, крыльчатка и ротор которого находятся в постоянном контакте с теплоносителем. Рабочая среда, в которой происходит вращение ротора и крыльчатки, выполняет роль смазки и охлаждающей жидкости. Статор и ротор насосов данного типа изолируются друг от друга при помощи специального стакана, изготовленного из нержавейки. Такой стакан, внутри которого располагаются вращающиеся в среде теплоносителя ротор и крыльчатка, защищает обмотку статора, находящуюся под напряжением, от попадания на нее рабочей жидкости.
КПД насосов данного типа довольно невысокий и составляет всего 55%, но технических возможностей такого устройства вполне достаточно для того, чтобы обеспечить циркуляцию теплоносителя в системах обогрева домов не слишком большой площади. Если говорить о достоинствах циркуляционных насосов с «мокрым» ротором, то к ним следует отнести минимальное количество шума, издаваемого при работе таких устройств, высокую надежность, простоту в эксплуатации, техническом обслуживании и ремонте.

Циркуляционный насос «мокрого» типа
Виды циркуляционных насосов
Производители предлагают две разновидности циркуляционных насосов:
- мокрый;
- сухой.
Отличаются они друг от друга тем, что в первом ротор контактирует с теплоносителем, за счёт него производится охлаждение прибора, во втором такого контакта нет.
Циркуляционный насос с мокрым ротором
В такой конструкции присутствует специальный стакан, который герметично разделяет ротор электродвигателя и статор с обмотками. Последние при соприкосновении с водой тут же перегорают
Так что стакану, его качеству, уделяется особое внимание
Устройство циркуляционного насоса роторного типа
Сам ротор полностью находится в водной среде, она является и охладителем, и смазкой для подшипников. При этом такое состояние деталей позволяет поглотить воде все вибрационные звуки, поэтому такие насосы работают тихо. Именно это стало причиной того, что приборы с мокрым ротором так популярны среди потребителей, которые выбирают циркуляционные насосы для бытовых систем отопления.
К достоинствам данной разновидности можно добавить:
- небольшие габариты и вес;
- минимальное потребление электричества;
- достаточно длительный срок эксплуатации;
- простая настройка;
- лёгкий ремонт.
Что касается недостатков, то надо отметить, что коэффициент полезного действия у них небольшой – 50%. Это связано с тем, что ротор преодолевает сопротивление воды, которая находится в его камере.
Циркуляционный насос с мокрым ротором, где ротор от статора отделён герметичным стаканом
Циркуляционный насос с сухим ротором для котла отопления
В этой конструкции отсек с электродвигателем отделён от камеры нагнетания специальными уплотнительными кольцами из нержавеющей стали или керамики, а также резиновыми манжетами. Внутри корпуса остаётся лишь часть вала ротора, на который насажена крыльчатка. В процессе использования может наступить истирание уплотнителей. За этим необходимо строго следить.
Циркуляционный насос с сухим ротором консольного типа
Что касается плюсов и минусов приборов с сухим ротором, то они показывают довольно неплохой КПД – до 80%. В зависимости от модели они устанавливаются на трубопроводы, расположенные в разных плоскостях. Но именно такие насосы обладают большими габаритами и весом. И ещё один существенный недостаток –оборудование данного типа издаёт много шума и сильно вибрирует. Сегодня производители предлагают две модели данного типа циркуляционных насосов:
- Консольные. У них вход теплоносителя производится через патрубок, который располагается по радиусу крыльчатки, а выход − по оси вала.
- Вертикальные. У них и входной патрубок, и выходной располагаются по радиусу рабочего органа.
Уплотнительные кольца, закрывающие отсек нагнетания теплоносителя от отсека электродвигателя
Статья по теме:
Насос для системы горячего водоснабжения
Чем отличается циркуляционный насос для ГВС от прибора для отопления? В первую очередь материалом, из которого он изготавливается. У первого это обычно латунь, у второго − чугун. Это связано с тем, что в системе ГВС температура горячей воды не превышает +65°С, в отопительной системе она достигает +95°С. Производительность насосов на отопление выше, чем для ГВС. Это и есть отличительные особенности двух типов циркуляционных насосов.
Циркуляционный насос для системы горячего водоснабжения
Расчёты производительности
Чтобы насос работал эффективно, нужно верно подобрать его характеристики. Если вы не уверены в данных, лучше обратитесь к специалисту перед покупкой. Проще всего узнать производительность по следующей формуле:

- G – объём необходимого теплоносителя, л/ч
- Q – общая нагрузка на отопление, Вт. Для облегчения расчётов лучше брать соотношение 1000 Вт на 10 м².
- Δt – разность между температурой воды на выходе из котла и при возвращении к нему. При расчетах обычно принимается равной 20° C.
К примеру, нужно подобрать насос для загородного дома в 100 м². Для его обогрева потребуется 10000 Вт. В таком случае расчёт будет выглядеть так: G=0,86х10000/20=430 л/ч =0,43 м³/ч
Итого, понадобится насос с производительностью 430 л или же 0,43 м³/ч.
Виды, особенности
Устройства центробежного типа действуют по принципу забора жидкости рабочим колесом и выброса её в заданном направлении. На всасывание и нагнетание они работают с одинаковой эффективностью. Все используемые в системах отопления циркуляционные насосы подразделяются на две основных группы: с мокрым и сухим ротором. Каждый тип устройств имеет свои конструктивные особенности.
Насосы с мокрым ротором

Оборудование такого типа считается наиболее подходящими для бытовых систем отопления из-за низкого уровня шума, создаваемого ими во время работы. По своему строению они похожи на дренажные агрегаты. Внешне насосы с мокрым ротором можно отличить от сухих конструкций по отсутствию оребрения на корпусе двигателя и крыльчатке на его торце.
Рабочее колесо у них устанавливается непосредственно на вал двигателя. На него же ставят сальники, предотвращающие протечку. Корпус имеет герметичную конструкцию. Для его изготовления используют: латунь, чугун, бронзу или нержавеющую сталь. Ротор насосов чаще всего имеет исполнение из керамического материала. Особенностью конструкции является его непосредственное соприкосновение с водой.
Среди достоинств насосов такого типа:
- самостоятельное удаление воздушных пробок из системы;
- меньший износ деталей насоса;
Насосы с сухим ротором

Устройство не имеет прямого контакта с жидкостью. Насосы такого типа имеют самый высокий КПД. Охлаждение конструкции происходит при помощи воздушной системы. Главным недостатком оборудования такого типа является повышенный уровень шума во время работы. Циркуляционные насосы с сухим ротором предназначены для работы с большим объёмом воды. Им отдают предпочтение при установке в системе отопления промышленных объектов.
5 Модели циркулярных помп
Стоимость аппаратуры определяется ее основными характеристиками, страной происхождения и брендом. Самые дешёвые и не очень надёжные модели производятся в Китае
Для того чтобы обеспечить безотказную работу в течение долгого срока, лучше обратить внимание на технику известных фирм, проверенную временем и рекомендованную большинством покупателей. Можно приобрести такие насосы:
- 1. Одним из наиболее надёжных российских поставщиков на рынке стала фирма Беламос. Среди её продукции можно выделить модели Беламос BRS 25/4G и Беламос BRS 32/8G (180 мм). Первая дешевле и менее мощная, однако пригодна для вертикальной или горизонтальной установки. Она не издает шума и качественно собрана. Вторая стоит дороже и оборудована регулятором скорости, но издаёт при работе громкий шум. Устанавливать такой аппарат лучше в отдельном помещении.
- 2. Уже более 30 лет продаёт своё насосное оборудование в нашей стране итальянское предприятие DAB PUMPS. Благодаря частым рекламным акциях и распродажам можно приобрести качественное европейское устройство по доступной цене. Одной из самых популярных установок стал бытовой насос Dab VA 35/180 с защитой от перегрева и тремя скоростями вращения. Его работа не вызывает нареканий у покупателей.
- 3. К вызывающим доверие китайским агрегатам относятся насосы марки Калибр НЦ-90/Б. Они недорогие, экономные, отличаются простотой в монтаже и обслуживании. Недостатком оборудования является блокировка системы обогрева при отключении электричества.
- 4. Бренд Акварио представляет модель Aquario AC 159—160A, отличающуюся бюджетной ценой, высокой продуктивностью и сроком службы до 10 лет. Также у производителя есть более мощный вариант насоса Aquario AC 1512−195A, для которого характерны универсальный способ установки и бесшумность. Однако потребители считают цену на эту модификацию несколько завышенной.
- 5. У итальянского концерна Calpeda также имеются 2 насоса для циркуляции: Calpeda NCE 32—60/180, немного шумноватый, но мощный и относящийся к энергосберегающему оборудованию класса A, и Calpeda NC3 32−70/180 с вертикальной установкой непосредственно в магистраль.
- 6. Фирма Варна представляет лёгкие и бесшумные помпы Спрут GPD 25−4S-180 и более дорогие и мощные установки SPRUT GPD 32−8S-180. Но недостатком такой продукции является то, что её сложно найти в продаже.
- 7. Большой срок службы, тихая работа, высокое качество комплектующих и сборки — это циркуляционные аппараты Wester WCP 25—40G и Wester WCP 15—90.
- 8. Grundfos — мировой лидер в производстве насосного оборудования. Среди его продукции популярностью пользуются насосы UPS 32—80 180 премиум-класса и Grundfos ALPHA2 25—40 180 (более дешёвые). Несмотря на доступность, второй экземпляр имеет систему автоматического контроля уровня воды в магистрали, ночной режим и многофункциональную панель управления.
- 9. Конкуренцию предыдущей фирме могут составить изделия Wilo Star-RS 25/4 с регулятором скорости, а также экономичные бесшумные насосы вертикального монтажа Wilo Star-Z Nova.

Если при установке циркуляционного агрегата учтены его мощность, давление, габариты труб и климатические условия, при которых он будет эксплуатироваться, тогда даже самый бюджетный вариант покажет эффективное и длительное действие.
Как выбрать циркуляционный насос для отопления: советы
Многих интересует вопрос о том, как выбрать циркуляционный насос для отопления
Для подбора этого изделия под конкретную отопительную коммуникацию необходимо обратить внимание на несколько факторов. Большинство таких устройств имеют визуальное сходство между собой, однако, при этом они могут сильно отличаться по своим техническим характеристикам
Для применения в частных целях выбирают приборы, которые работают от стандартной сети, с напряжением 220 В. Очень важным параметром является мощность устройства. Она зависит от двух основных факторов: модели и режима, в котором функционирует насос. Бытовые приборы имеют показатель мощности, который не превышает 50-70 Ватт.
Также специалисты рекомендуют обратить внимание на температуру теплоносителя. Все бытовые циркуляционные насосы имеют ограничения по этому показателю и могут использоваться в отопительных системах с температурой до 110°C

Большинство моделей насосов устанавливаются на трубы посредством накидных гаек
Как выбрать циркуляционный насос для отопления, ориентируясь на геометрические параметры? С точки зрения геометрических показателей, большую роль играет монтажная длина прибора, а также показатель сечения резьбовой части устройства. Большинство насосов устанавливаются на трубы посредством накидных гаек, которые еще называют американками. Как правило, такие элементы входят в комплектацию устройства. Стандартные показатели сечения, которые применимы к домашним отопительным контурам – 25 и 32 мм. А монтажная длина прибора может быть 13 или 18 см.
Кроме всего прочего, стоит обратить внимание на маркировку, которая наносится на корпус насоса. Там нередко указывается класс защиты электрического прибора, а также показатель максимального давления на выходе
Первый параметр является стандартным для большинства современных моделей и имеет обозначение IP44. Максимальное давление на выходе в большинстве случаев составляет 10 бар.

Немаловажным фактором при выборе насоса является размер монтажной длины прибора
В случае необходимости всегда можно посоветоваться со специалистом, который поможет выбрать подходящий прибор для вашей отопительной конструкции. А также можно задать, интересующий вас вопрос, на одном из профильных форумов в интернете.
Как выбрать циркуляционный насос для отопления, в зависимости от производительности
Еще одним важным параметром, который следует учитывать при выборе данного оборудования, является его производительность. Этот показатель обозначает количество рабочей среды, которую прибор способен перекачать за определенную единицу времени (м³/час). А также стоит учесть величину напора, которую способен создать насос, исчисляемую в метрах.
В большинстве случаев основные технические характеристики таких устройств указываются в их названии. Например, если разобрать наименование прибора «Грундфос UPS 32-80», то первые две цифры означают диаметр патрубков (32 мм), а вторые – величину напора, которая равна 8 м.

Схема отопления дома с напольным котлом, погодозависимой автоматикой и бойлером: 1 — котел; 2 — набор устройств безопасности; 3 — бойлер; 4 — группа безопасности бойлера 3/4″ 7 бар; 5 — гидроаккумулятор 12л/10 бар; 6 — насос; 7 — 3-х контурный коллектор; 8 — кронштейн с комплектом крепежа; 9 — комплект подключения к котлу (1,0 и 1,2 м); 10 — модуль прямой; 11 — модуль смесительный с электроприводом; 12 — КТЗ-20 Ду 20; 13 — кран 11Б27П Ду 20; 14 — клапан КЭГ 9720 Ду 20 (220 В); 15 — сигнализатор; 16 — счетчик газа; 17 — расширительный бак 35 л/3 бар; 18 — клапан подпиточный; 19 — фильтр картриджный тонкой очистки 1″; 20 — счетчик воды; 21 — фильтр с ручной промывкой 1″; 22 — кран шаровый для воды; 23 — дозатор полифосфатный
К подбору циркуляционного насоса для системы отопления необходимо подходить максимально грамотно. Поэтому стоит учитывать даже такие моменты, как состояние помещений и особенности климатического региона, в котором вы проживаете. Если ваш дом имеет хорошую теплоизоляцию, то тогда достаточно обойтись устройством с небольшой мощностью (и наоборот).
Также нужно учесть зависимость мощности насоса от климатического региона. В этом случае прослеживается следующая закономерность: чем холоднее климат местности, в которой располагается жилая постройка, тем мощнее необходим циркуляционный прибор. В случае необходимости на вопрос о том, как подобрать циркуляционный насос для отопления, вам могут помочь ответить специалисты в профильных магазинах.
Марки центробежных насосов – обзор известных производителей
На рынке представлен огромный ассортимент насосного оборудования центробежного типа. Но далеко не все производители выпускают качественные агрегаты с высокой надежностью и длительными сроками использования. Ниже перечислим бренды, продукция которых заслуженно пользуется популярностью на территории СНГ и других стран. К таким производителям относится:

- ОАО «Ливгидромаш» – этот российский производитель находится на мировом рынке уже более полувека. В наши дни предприятие активно выпускает насосы типа К для применения в автомобилестроении, химической и нефтеперерабатывающей промышленности;
- ОАО «Промприбор» – в наши дни эта компания считается лидером по производству бытовых и промышленных насосов. Главное преимущество продукции этого бренда заключается в отличном качестве сборки и повышенной устойчивости к коррозии;
- ОАО «Горнас» – этот бренд производит оборудование для эксплуатации в коммунальных предприятиях. Отличительная характеристика продукции этого предприятия заключается в высокой мощности и длительному рабочему ресурсу;
- Катайский насосный завод – это предприятие выпускает насосы типа Д, используемые в металлургической промышленности а также на химических фабриках. Оборудование этой компании пользуется спросом за счет надежности и способности работать в экстремальных условиях;
- Vitals Aqua – этот бренд выпускает преимущественно бытовые насосы. Агрегаты этой марки отличаются небольшими габаритами, хорошими рабочими показателями и качественной сборкой. Оборудование от этой компании не требует частого ремонта и регулярного обслуживания;
- Gardena – эта известная компания выпускает качественное оборудование, которое подходит для использования в быту и небольшом хозяйстве. Продукция этой марки пользуется спросом благодаря бесшумной работе, широкому ассортименту моделей и длительным срокам эксплуатации.
Стоит отметить, что на современном рынке находится большое количество поддельных насосов, на которых указаны наименования перечисленных марок
Чтобы не приобрести такое оборудование, следует обращать внимание на страну-производителя и название выбранных моделей
Зачем нужен циркуляционный насос
При его остывании тяжело будет отрегулировать подачу тепла. Именно в этом случае используется циркуляционный насос, который создает напор для системы отопления.
Циклирование воды происходит строго через определенный промежуток времени, стабилизируя всю систему отопления.
- Современные отопительные котлы большинства видов оснащены циркуляционными механизмами.
- Но часто получается так, что этого недостаточно и страдает мощность оборудования при наличии разветвленного радиаторного контура.
- Еще один пример, когда циркуляционная система обязательна – это подключение к нагревательному котлу не только радиаторов, но и теплого пола.
Эти два варианта не смогут отдавать тепло помещению, если тепловое оборудование будет малой мощности.
Применение циркуляционных насосов в отоплении дома
Поскольку выше уже были упомянуты некоторые особенности эксплуатации циркуляционных насосов для воды в различных схемах отопления, следует подробнее коснуться главных черт их организации. Стоит отметить, что в любом случае нагнетатель ставится на трубе обратной подачи, если домашнее отопление подразумевает подъем жидкости на второй этаж — там устанавливается еще один экземпляр нагнетателя.
Закрытая система
Самая главная черта закрытой системы отопления — герметизация. Здесь:
- теплоноситель никак не соприкасается с воздухом в помещении;
- внутри герметичной системы трубопроводов давление выше атмосферного;
- расширительный бак построен по схеме гидрокомпенсатора, с мембраной и областью воздуха, создающего обратное давление и компенсирующая расширение теплоносителя при нагревании.
Достоинств у закрытой системы отопления множество. Это и возможность провести обессоливание теплоносителя для нулевого осадка и накипи на теплообменнике котла, и заливка антифриза для предотвращения замерзания, и возможность использовать для передачи тепла широкий ряд составов и веществ, начиная от водно-спиртового раствора, заканчивая машинным маслом.
Схема закрытой системы отопления с насосом однотрубного и двухтрубного типа выглядит следующим образом:


При установке гаек Маевского на радиаторах отопления улучшается настройка контура, не нужна отдельная система выпуска воздуха и предохранители перед циркуляционным насосом.
Открытая система отопления
Внешние характеристики открытой системы похожи на закрытую: те же трубопроводы, радиаторы отопления, расширительный бак. Но есть кардинальные отличия в механике работы.
- Основная движущая сила теплоносителя — гравитационная. Нагретая вода поднимается вверх по разгонной трубе, для увеличения циркуляции ее рекомендуют делать как можно длиннее.
- Трубы подачи и обратки располагают под наклоном.
- Расширительный бак — открытого типа. В нем теплоноситель соприкасается с воздухом.
- Давление внутри открытой системы отопления равно атмосферному.
- Циркуляционный насос, установленный на обратке подачи, выполняет роль усилителя циркуляции. Его задача состоит также в компенсации недостатков системы трубопроводов: излишнего гидравлического сопротивления из-за избыточных стыков и поворотом, нарушение углов наклона и прочего.
Открытая система отопления требует обслуживания, в частности, постоянном доливе теплоносителя для компенсации испарения из открытого бака. Также в сети трубопроводов и радиаторов постоянно идут процессы коррозии, из-за чего вода насыщается абразивными частицами, и рекомендуется устанавливать циркуляционный насос с сухим ротором.
Схема открытой системы отопления выглядит следующим образом:

Открытую систему отопления при правильных углах наклона и достаточной высоте разгонной трубы можно эксплуатировать и при отключении электропитания (прекращении работы циркуляционного насоса). Для этого в структуре трубопроводов делают байпас. Схема отопления выглядит так:

При прекращении подачи электричества достаточно открыть кран на обводной петле байпаса, чтобы система продолжила работу на гравитационной схеме циркуляции. Данный блок также делает более простым начальный запуск отопления.
Система теплый пол
В системе теплого пола правильный расчет циркуляционного насоса и выбор надежной модели — гарантия стабильной работы системы. Без принудительного нагнетания воды такая структура просто не может работать. Принцип установки насоса следующий:
- на входной патрубок подается горячая вода из котла, которая через блок смесителя перемешивается с обраткой теплого пола;
- подающий коллектор для теплого пола присоединяется к выходному патрубку насоса.
Распределительно-регулирующий узел теплого пола выглядит следующим образом:

Система работает по следующему принципу.
- На входе насоса устанавливается основной терморегулятор, управляющий смесительным узлом. Он может получать данные из внешнего источника, например, выносных датчиков в комнате.
- В подающий коллектор приходит горячая вода установленной температуры и расходится по сети теплого пола.
- Пришедшая обратка имеет более низкую температуру, чем подача из котла.
- Терморегулятор с помощью узла смесителя меняет пропорции горячего потока котла и остывшей обратки.
- Через насос подается вода установленной температуры на входной распределительный коллектор теплого пола.
Группа компаний «Импульс» («Wester»)

Опыт, полученный в период активной торговой деятельности ГК «Импульс» (в конце 90-х годов прошлого столетия), стал отправной точкой для организации собственной производственной базы на территории РФ. Соразмерно развивалась и сеть авторизованных сервисных мастерских
Что позволило привлечь внимание современного требовательного клиента к разнообразию качественной климатической продукции (от котлов до фурнитуры) отечественного производства
| Модель | Напор, м / объем, м³/ч | Мощность по режимам работы, Вт | t теплоносителя, С | t окружающей среды, С | Способ монтажа / диаметр трубы, (дюйм) | Обслуживаемый контур, м | Цена, руб. |
|---|---|---|---|---|---|---|---|
| Wester WCP 25-40G | 4 / 2.5 | 30-45-65 | +2…+110 | 0…+40 | Резьба / 1 | 66 | 2127 |
| Wester WCP 32-60G | 6 / 2.7 | 46-67-93 | Резьба / 1, 1/4 | 100 | 2297 | ||
| Wester WCP 25-60G | 6 / 2.7 | 46-67-93 | Резьба / 1 | 100 | 2046 |
Смотреть видеообзор производственного потенциала ГК «Импульс»:
На что смотреть при выборе
Выбрать циркуляционный насос станет гораздо проще, если вы обратите внимание на следующие параметры:
Производительность. Разные отопительные системы нуждаются в помпе с оптимальным уровнем производительности. Поэтому владельцу дома следует знать мощность установленного котла. Например, если в контуре функционирует прибор, рассчитанный на 40 кВт, в таком случае насос должен иметь пропускную способность 2.4 м³/ч.
Высота подъема
Еще одна важная характеристика, на которую обязательно следует обращать внимание. Эксперты советуют использовать такую простую формулу: на 10 метров трубопровода – напор 0.6 метров
Таким образом, не составит большого труда подсчитать, что отопительной магистрали 100 метров потребуется насос с высотой подъема 6 метров.
Регуляция потоковой скорости. Достаточно полезная опция, за счет которой может самостоятельно менять скорость движения воды. Некоторые модели оснащены переключателем на 2-3 позиции, более современные имеют электронные регуляторы, которые автоматически меняют скорость. Основное: показатель не должен превышать 1.6 м/с.
Уровень мощности. Каждый насос имеет собственный электродвигатель, обладающий определенным уровнем мощности. Чем тоньше труба в отопительной системе, тем большую мощность должен иметь потом. Некоторые модели имеют мощность 100 Вт, более сложные модели – 150 Вт.
Материалы. Обратите внимание на то, из каких материалов произведены детали и узлы, ведь именно это влияет на срок службы прибора. В идеале, корпус должен быть чугунным, рабочее колесо и крыльчатка – пластиковым.





























